< Back to laser gain modules

NDYAG-QCW31-133-18

Safe and rigid housing. EEL diode pumping. Optimized for long service life performance.

1064nm
WL
QCW
Mode
27kW
Peak pump
0.34-4ms
Pulse length
3.8-20J
Pulse energy
Request Price Request Price

Description

The module is designed to be used as a part of generator in an intracavity application, as well as an amplifier for an extracavity application. Popular for MOPA build.

Part number 2-01255-01

Specification

* Typical current-voltage relation is shown below.

**  Calculated for standard operation mode: pulse duration 0.34 ms, repetition rate 20 Hz, current 210 A

* Typical current-voltage relation is shown below.

**  Calculated for standard operation mode: pulse duration 0.34 ms, repetition rate 20 Hz, current 210 A

Product test paremeters

*** From a gain switched, 260 mm long cavity with a flat 80% reflectivity output coupler and a flat high reflector.

*** From a gain switched, 260 mm long cavity with a flat 80% reflectivity output coupler and a flat high reflector.

Operational reference

Typical current-voltage characteristics

Small signal gain

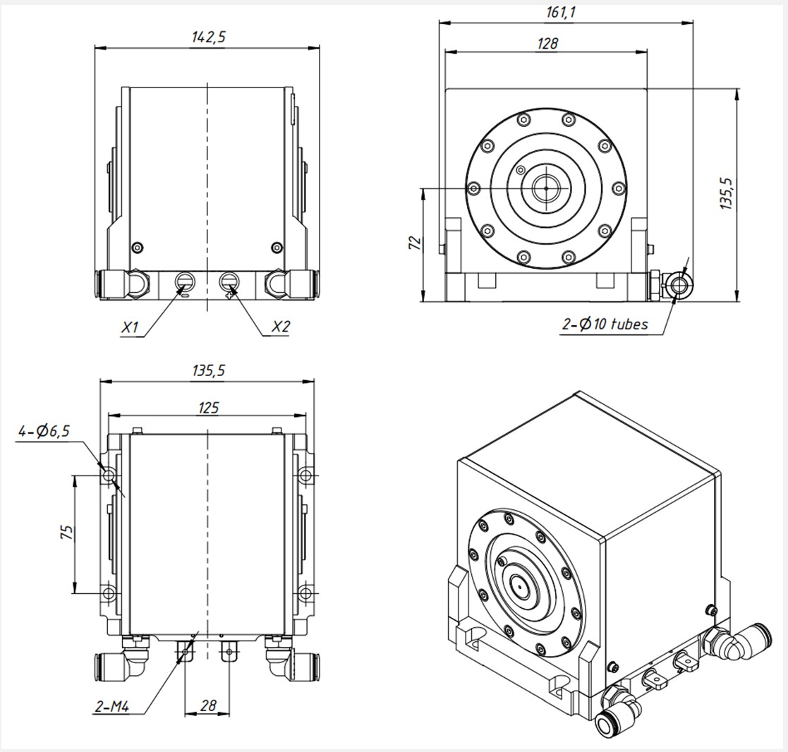
Dimensional drawing

Production facility

Astrum LT s.r.o. is a brand-new semiconductor laser production facility, located in Czech Republic, Kralupy nad Vltavou (Prague area).

OEM laser components for aesthetic technology, industrial, automotive, semiconductor and consumer electronic applications.

Our most valuable benefits of our laser solutions

Most valuable benefits of our laser solutions

Accuracy

Accuracy

Quality

Quality

Safety

Safety

Precise design

Precise design

Sustainability

Sustainability

Durability

Durability

State-of-the-art semiconductor laser production facility

Located in Czech Republic, Kralupy nad Vltavou the fab offers 6,000m² of total engineering area, including 2,000m² of clean room.

Registered office Registered office:
U Dýhárny 1177,
27801 Kralupy nad Vltavou,
Czech republic
2,000m²
Clean room