< Back to laser gain modules

NDYLF-QCW3.5-27-6.3

Smaller blue print. Safe and rigid housing. EEL diode pumping. Optimized for long service life performance. 

1047/1054
WL nm
QCW
Mode
5.3kW
Peak pump
0.5ms
Pulse
Request Price Request Price

Description

The module features smaller blue print and is designed to be used as a part of generator in an intracavity application, as well as an amplifier for an extracavity application. NDYLF is an anisotropic active element that offers polarized emission.

Part number 2-00405-01

Specification

* See typical current-voltage characteristics below

** Calculated for standard operation mode: pulse duration 0.5 ms, repetition rate 10 Hz, current 180 A

* See typical current-voltage characteristics below

** Calculated for standard operation mode: pulse duration 0.5 ms, repetition rate 10 Hz, current 180 A

Product test parameters

*** From a gain switched, 260 mm long cavity with flat 80% reflectivity output coupler, flat high reflector and focusing intracavity lens F=2300 mm.

*** From a gain switched, 260 mm long cavity with flat 80% reflectivity output coupler, flat high reflector and focusing intracavity lens F=2300 mm.

Operational reference

Typical current-voltage characteristics (for reference only)

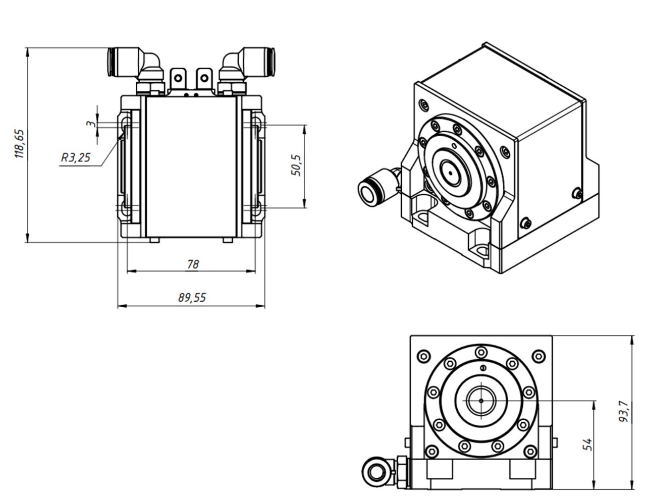
Dimensional drawing

Production facility

Astrum LT s.r.o. is a brand-new semiconductor laser production facility, located in Czech Republic, Kralupy nad Vltavou (Prague area).

OEM laser components for aesthetic technology, industrial, automotive, semiconductor and consumer electronic applications.

Our most valuable benefits of our laser solutions

Most valuable benefits of our laser solutions

Accuracy

Accuracy

Quality

Quality

Safety

Safety

Precise design

Precise design

Sustainability

Sustainability

Durability

Durability

State-of-the-art semiconductor laser production facility

Located in Czech Republic, Kralupy nad Vltavou the fab offers 6,000m² of total engineering area, including 2,000m² of clean room.

Registered office Registered office:
U Dýhárny 1177,
27801 Kralupy nad Vltavou,
Czech republic
2,000m²
Clean room