< Back to laser gain modules

TMYAG-QCW3.6-45-3

Safe and rigid housing. EEL diode pumping. Optimized for long service life performance.

2020nm
WL
QCW
Mode
3.6kW
Peak pump
0.5-10ms
Pulse length
4.5J
Pulse energy
Request Price Request Price

Description

The module is designed to be operating in a pulsed and CW operation. Extracavity or generator application.

Part number 2-01056-01.

Specification

* Calculated for standard operation mode: pulse duration 10 ms, repetition rate 10 Hz, current 110 A.

** Do not allow the cooling water temperature exceed 40°C.

* Calculated for standard operation mode: pulse duration 10 ms, repetition rate 10 Hz, current 110 A.

** Do not allow the cooling water temperature exceed 40°C.

Product test parameters

*** From a gain switched, 230 mm long cavity with a flat 90% reflectivity output coupler and a flat high reflector.

*** From a gain switched, 230 mm long cavity with a flat 90% reflectivity output coupler and a flat high reflector.

Operational reference

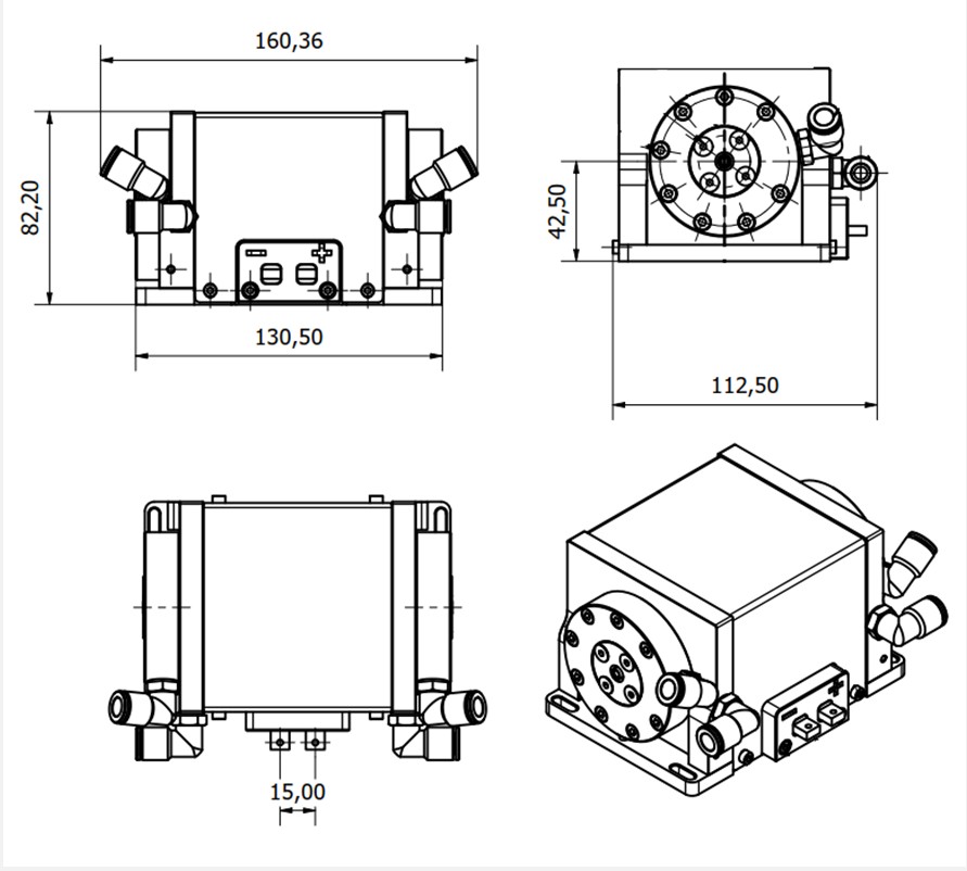
Dimensional drawing

Production facility

Astrum LT s.r.o. is a brand-new semiconductor laser production facility, located in Czech Republic, Kralupy nad Vltavou (Prague area).

OEM laser components for aesthetic technology, industrial, automotive, semiconductor and consumer electronic applications.

Our most valuable benefits of our laser solutions

Most valuable benefits of our laser solutions

Accuracy

Accuracy

Quality

Quality

Safety

Safety

Precise design

Precise design

Sustainability

Sustainability

Durability

Durability

State-of-the-art semiconductor laser production facility

Located in Czech Republic, Kralupy nad Vltavou the fab offers 6,000m² of total engineering area, including 2,000m² of clean room.

Registered office Registered office:
U Dýhárny 1177,
27801 Kralupy nad Vltavou,
Czech republic
2,000m²
Clean room